|
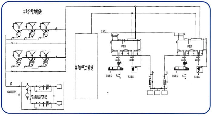
正压浓相气力输送系统引进瑞典菲达公司和澳大利亚AB公司先进技术及经验,结合科学实验,经过300多套系统调整和完善,被确认为是一种既经济又可靠的气力输送系统。该系统输送灰气比高.耗气量少,输送速度低,有效降低管道磨损。该系统主要由压缩空气气源系统.LD浓相型仓泵输送系统.控制系统.输送管、灰库五大部分组成。
一、仓泵 接受除尘器集灰斗的飞灰,经充分流化后通过输灰管进入灰库。
二、压缩空气气源 由空气压缩机.过滤器、干燥器、储气罐及压缩空气管道组成,主要为仓泵及气控元件提供高质量的压缩空气。
三、控制柜 以PLC主控全系统,并附有就地手控操作。
四、输送管道 一般采用普通无缝钢管,弯头采用耐磨陶瓷弯头,能适应长远距离输送。
五、灰库 由灰库本体、布袋除尘器、真空释放阀、料位计、卸灰设备等组成。
正压浓相气力输送系统图

本系统中.两台或两台以上的仓泵组成一个输送单元.向一条输送管中同时输送,与单位仓泵系统比较,大大提高了系统的输送效率.系统的经济性提高。该系统主要用于较大灰量的除尘器灰斗。
主要特点 1.多台仓泵串联输送,适合大中型机组多电场、多灰斗的除灰工艺条件。 2.输送距离可达500~800m 3.输送出力大,能耗低 4.经济性好,效率高
多泵制输送系统图

|